EUROBAT SLIDE Clamb Urban Glas Wandmontage
| Montageart | Wandmontage |
|---|---|
| Für Türflügel | 1-flügelig |
Einsatzmöglichkeit:
• 1-flügelige Schiebetüren aus Glas
• Vor der Wand laufend für Wandmontage
• Standardisiertes Schiebetürsystem ohne Abstriche in der Performance
Tragkraft der Rollwagen:
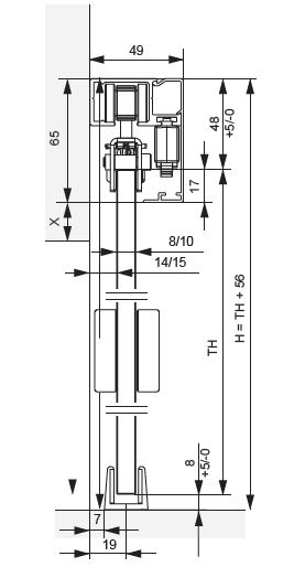
• 65 KG
Keine Glasbearbeitung erforderlich
Das Beschlagset besteht aus:
- 2 Stück Laufwagen inkl. Klemmplatten für 8/10mm ESG
- 1 Stück 2000mm bzw. 2500mm Laufschiene / Wandmontage
- 1 Stück 2000mm bzw. 2500mm Clip Blende
- 1 Paar Einzugsdämpfer bis 65kg
- 1 Paar Clip-Endkappen Kunststoff
- 2 End Stopper mit Rastfeststellung
- 1 Bodenführung Glas
Oberflächen:
E6C31 = Edelstahl finish
E6C35 = Schwarz
Befestigungsschrauben und Dübel sind nicht enthalten und müssen bauseitig den Gegebenheiten angepasst werden.
Die angegebene Tragkraft setzt eine tragfähige Beschaffenheit der Wand bzw. Decke voraus. Bei Fliesenboden und Fußbodenheizung empfehlen wir unseren Wandwinkel für die Bodenführung zu verwenden.





