EUROBAT Glasgegenkasten BANDOS GK Tiefschwarz matt
Ab Lager lieferbar (93)
35,22 €
Inkl. 19% Steuern ,
exkl. Versandkosten
| Artikelnummer | 394473 |
|---|---|
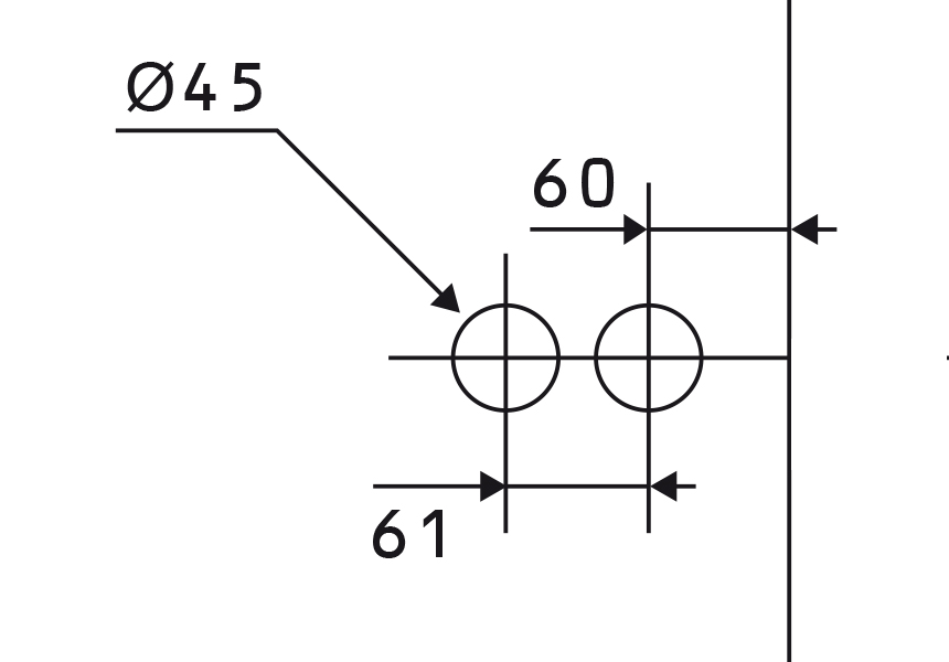
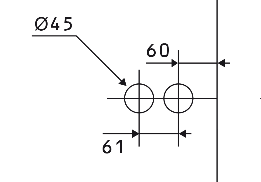
| Schlossbohrung | Studio |
| Lieferzeit | 3-6 Tage |
| Ausführung | Gegenkasten |
| Material | Edelstahl |
| Oberfläche | Tiefschwarz matt |
| Für Glasdicke mm | 8-10 |
| DIN-Richtung | Links/Rechts |
| EAN | 4046541033547 |
| Hersteller | EUROBAT |
| Lieferantennummer | GSB-300-EBK |
• Glasgegenkasten für 2-flügelige Türen
• Verwendbar für DIN linke und DIN rechte Türen











