EUROBAT Glastürschloss BANDOS Edelstahl Matt Design Messingfarbig Poliert
| Schlossbohrung | Studio |
|---|---|
| Material | Edelstahl |
| Oberfläche | Matt / Messingfarbig Poliert |
| Für Glasdicke mm | 8-10 |
| DIN-Richtung | Links/Rechts |
| Geprüft nach | DIN EN 12209 |
• Mit Flüsterfalle für geräuscharmes schließen der Tür
• Verwendbar für DIN linke und DIN rechte Türen (Auslieferungszustand DIN links)
• Geprüftes Glastürschloss nach den Anforderungen von DIN EN 12209
• Schlossabdeckung Edelstahl Massiv
• Verwendbar für 8 und *10 mm Glastüren
Hinweis:
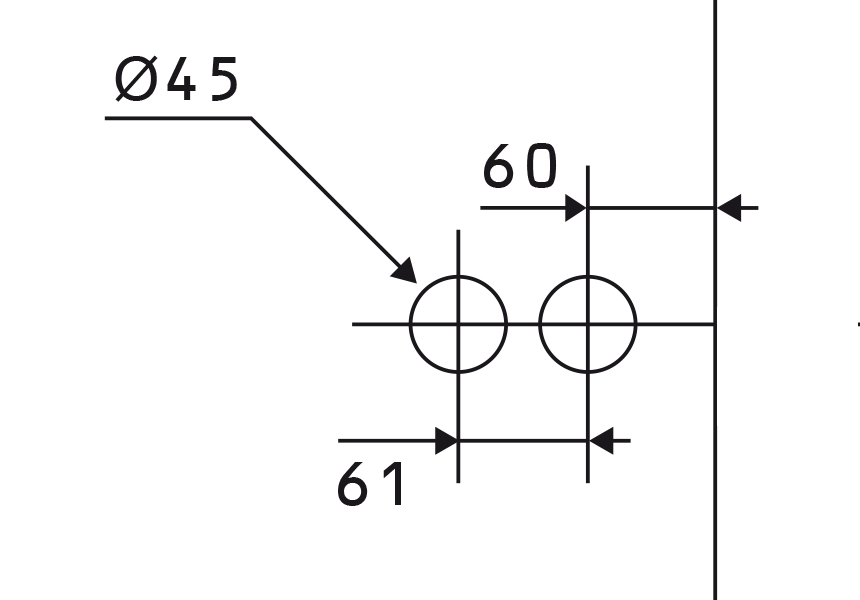
Türdrücker nicht im Lieferumfang enthalten! Abbildung zeigt Lochung "Unverschliessbar"
*Für 10mm Glas muss die Falle (Optional erhältlich) gewechselt werden.
• Verwendbar für DIN linke und DIN rechte Türen (Auslieferungszustand DIN links)
• Geprüftes Glastürschloss nach den Anforderungen von DIN EN 12209
• Schlossabdeckung Edelstahl Massiv
• Verwendbar für 8 und *10 mm Glastüren
Hinweis:
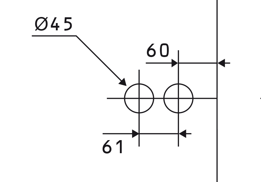
Türdrücker nicht im Lieferumfang enthalten! Abbildung zeigt Lochung "Unverschliessbar"
*Für 10mm Glas muss die Falle (Optional erhältlich) gewechselt werden.







