EUROBAT Glastürschloss BANDOS UV Tiefschwarz matt
Ab Lager lieferbar (3657)
42,21 €
Inkl. 19% Steuern ,
exkl. Versandkosten
| Artikelnummer | 394313 |
|---|---|
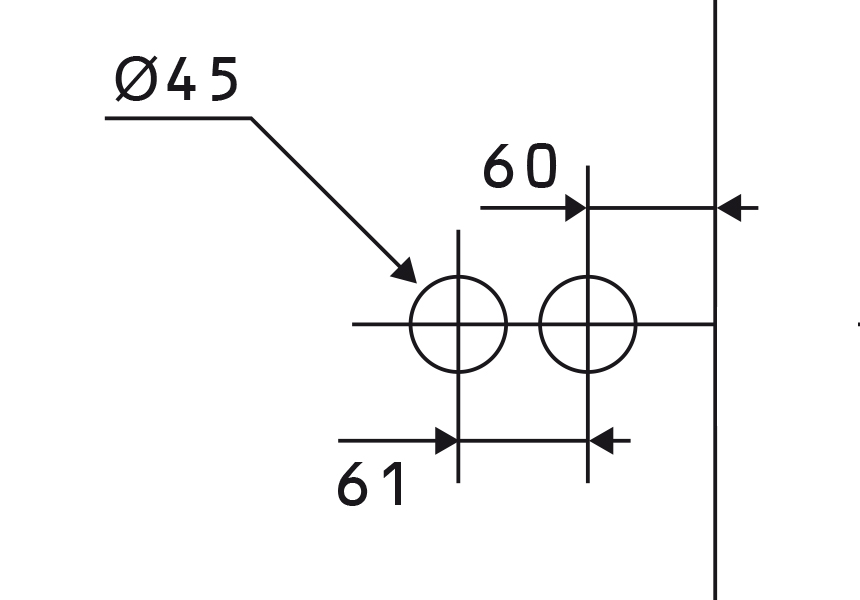
| Schlossbohrung | Studio |
| Lieferzeit | 3-6 Tage |
| Ausführung | Unverschließbar |
| Material | Edelstahl |
| Oberfläche | Tiefschwarz matt |
| Für Glasdicke mm | 8-10 |
| DIN-Richtung | Links/Rechts |
| Geprüft nach | DIN EN 12209 1/B/1/0/0/C/0/H/A/2/0 |
| EAN | 4046541033509 |
| Hersteller | EUROBAT |
| Lieferantennummer | GDL-300A-EBK |
• Mit Flüsterfalle für geräuscharmes schließen der Tür
•
Verwendbar für DIN linke und DIN rechte Türen (Auslieferungszustand DIN
links)
• Geprüftes Glastürschloss nach den Anforderungen von DIN EN
12209 1/B/1/0/0/C/0/H/A/2/0
• Schlossabdeckung Edelstahl Massiv
•
Verwendbar für 8 und *10 mm Glastüren
Hinweis:
*Für
10mm Glas muss die Falle (Optional erhältlich) gewechselt werden.













